| Funk 2000 S E R I E S POWERSHIFT TRANSMISSION |
| . | ||||||||||||||||
|
RATINGS* Input Power (Max.): 225 hp (168kW) Input Torque (Max.): 425 lb.-ft (576Nm) Input Speed (Max.): 2800 rpm (at full load govern) Ratings subject to selection of torque converter and gear ratio
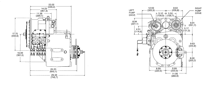
ROTATION Converter Input: Counterclockwise Output: 18.63" Drop - Counterclockwise 9.63" Drop - Clockwise All rotations viewed from opposite input side (looking at flywheel)
MOUNTING Engine (E) - SAE# Standard (SAE# 2 optional) dry converter housing with flex plate converter drive. Side mounting pads - recommended engine / transmission cradle mounting Midship (M) - Side mounting pads and input bail (engine mounted torque converter PTO with charge pump required) Remote (R) - Two side mounting pads (engine mounted torque converter PTO with charge pump required
CONVERTER Three element, single stage, with free wheel stator or fixed stator Sizes: 11.75"STR 2.01 thru 2.90 12.75"STR 2.10 thru 2.70 14.00"STR 2.16 thru 3.00 (STR=Stall Torque Ratio)
GEARING Constant mesh, in line, high quality spur gears Up to six speeds full powershift (no range shift required) Forward and three speeds Reverse
CLUTCHES Fully modulated, oil-cooled, multidisc, hydraulic-actuated, self adjusting |
PUMP DRIVES Two pump pads Disconnect available for left and right side pump drives: Left pump drive SAE "C" only Right pump drive SAE "C"&"B" only
CONTROLS Electric solenoid control valve with full clutch modulation mounted on the transmission as standard
OPTIONS * Single lever operator controlled (includes neutral start & reverse warning alarm switch) * Magnetic pulse generator for speedometer * Integral engine side axle disconnect * Integral no-spin differential * Disk parking brake * Converter lock-up
OIL Hydraulic transmission fluid type C-3 (MIL-L-2104 Grade 10) latest revision. Funk spin-on filter remote mounted
WEIGHT Approximate dry weight: 9.63" Drop - 742 lbs. (337 kg) 18.63" Drop - 900 lbs (408 kg)
|
|||||||||||||||
|
SHORT DROP |
|
|
|
LONG DROP |
|
|
| . |
|
RATIOS |
||||||||||
| FORWARD | REVERSE | |||||||||
| DROP | VERSION | 1ST | 2ND | 3RD | 4TH | 5TH | 6TH | 1ST | 2ND | 3RD |
| . | ||||||||||
|
9.63 INCH |
*3/3 | 3.68 | 2.50 | 1.000 | 3.68 | 2.50 | 1.00 | |||
| 5.80 | 2.50 | 1.000 | 5.80 | 2.50 | 1.00 | |||||
| 4/3 | 6.50 | 4.42 | 1.77 | 1.000 | 6.50 | 4.42 | 1.77 | |||
| 10.25 | 4.42 | 1.77 | 1.000 | 10.25 | 4.42 | 1.77 | ||||
| 6/3 | 6.50 | 4.42 | 3.68 | 2.50 | 1.77 | 1.000 | 6.50 | 4.42 | 1.77 | |
| 10.25 | 5.80 | 4.42 | 2.50 | 1.77 | 1.000 | 10.25 | 4.42 | 1.77 | ||
| . | ||||||||||
|
18.63 INCH |
*3/3 |
2.94 | 2.00 | 0.800 | 2.94 | 2.00 | 0.80 | |||
| 4.64 | 2.00 | 0.800 | 4.64 | 2.00 | 0.80 | |||||
|
4/3 |
5.20 | 3.53 | 1.41 | 0.800 | 5.20 | 3.53 | 1.41 | |||
| 8.20 | 3.53 | 1.41 | 0.800 | 8.20 | 3.53 | 1.41 | ||||
|
6/3 |
5.20 | 3.53 | 2.94 | 2.00 | 1.41 | 0.800 | 5.20 | 3.53 | 1.41 | |
| 8.20 | 4.64 | 3.53 | 2.00 | 1.41 | 0.800 | 8.20 | 3.53 | 1.41 | ||
| . | ||||||||||
|
CONFIGURATIONS |
|
|