Funk  F20 S E R I E S CONVERTER POWER TAKE OFF
.

RATINGS*

Input Power (Max.): 225 hp (168kW)

Input Torque (Max.): 425 lb.-ft (576Nm)

Input Speed (Max.): 2800 rpm

(at full load govern)

Ratings subject to selection of torque converter and gear ratio 

 

ROTATION

Converter Input: Counterclockwise

Output: Counterclockwise

All rotations viewed from opposite input side (looking at flywheel)

 

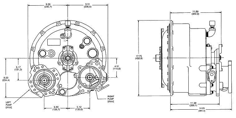
MOUNTING

SAE# 3 dry converter housing with flex plate converter drive

Direct engine mounting

Assembly may be rotated so pump drives are on top (180 degrees from illistration)

 

CONVERTER

Three element, single stage, with free wheel stator or fixed stator

Sizes:

11.75"STR 2.01 thru 2.90

12.75"STR 2.10 thru 2.70

(STR=Stall Torque Ratio)

 

PUMP DRIVES

Two pump pads

Disconnect available for left and right side pump drives:

Left pump drive SAE "C" only

Right pump drive SAE "C"&"B" only

Left Side Right Side
Rotation CCW CCW
Ratio (engine speed to pump speed 1:1 1:15.1
Power (max intermittent) 225 hp 225 hp
Mounting and spline size (SAE) A, B, or C A, B, or C

 

CHARGE PUMP

Externally mounted for easy service

Filtration and external valving required

Charge pressure (max) - 180 to 260

(depending on transmission used) 

Flow at 2500rpm - 23 gpm - 15 gpm

(depending on transmission used) 

 

ACCESSORIES

* Temperature sender

 

OIL

Hydraulic transmission fluid type C-3 (MIL-L-2104 Grade 10) latest revision. Funk spin-on filter remote mounted

 

WEIGHT

Approximate dry weight: 260 lbs. (118 kg)

 

I

.

CONFIGURATION

 

Powershift Transmission Home

Distributor and Service Centre Contact Information

South African Distributor and Service Centre

ptlogo22h.gif (1973 bytes)