Funk  HMD23000
.

RATINGS*

Input Power (Max.): 100 hp (75W)

Input Torque (Max.): 200 lb.-ft (271Nm)

Input no load Speed (Max.): 3000 rpm

 

MOTOR ADAPTERS

SAE C & D

 

OIL

Capacity - 3qts. (3.30L)

Type MIL-L-2105-C or API classification GL-5

 

WEIGHT

Approximate dry weight:

4 speed models - 159 lbs. (72 kg)

3 speed models - 151 lbs. (69 kg)

GEAR RATIOS

(spur type gears)

Model Low 2nd 3rd High
23155 6.63:1 3.17:1 1.72:1 1:1
23125  6.63:1 2.54:1 - 1:1
23115  3.74:1 1.90:1 - 1:1
23126 6.63:1 3.17:1 - 1:1

 

SPLINES

Input - SAE 14 tooth 12/24 D.P.

Output - SAE 1 1/2-10

 

 

3 speed models 23125, 23115, 23126

4 speed model 23155

 

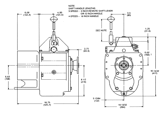
3 and 4 SPEED

I

 

HMD Transmission Home

Distributor and Service Centre Contact Information

South African Distributor and Service Centre

ptlogo22h.gif (1973 bytes)