| Funk 57000 S E R I E S Pump Drive OPTION SELECTIONS |
| GEAR RATIOS |
| I |
| Four 14" centers : 1:1 1.20:1 .67:1 .87:1 Four 16" centers : 1:1 1.20:1 .77:1 .83:1 |
| I |
| FLYWHEEL COVER HOUSING | |||||
| I | |||||
| SAE Size | A Dim. | B Dim. | Bolts Reqd. | ![]() |
|
| 0 | 26.750 (679.5) | 25.500 (647.7) | 16-1/2 (12.7)-13 | ||
| 1 | 20.875 (530.2) | 20.125 (511.2) | 12-7/16 (11.1)-14 | ||
| 2 | 18.375 (466.7) | 17.625 (447.7) | 12-3/8 (9.5)-16 | ||
| I | |||||
| I | |||||
| PLATE DRIVEN | CLUTCH DRIVEN | ||||
| I | |||||
| CLUTCH COVER HOUSING | ||||
| I | ||||
| SAE Size | A Dim. | B Dim. | H Dim. | Bolts Reqd. |
| 1 | 20.875 (530.2) | 20.125 (511.2) | 7.500 (190.5) | 12-7/16 (11.1)-14 |
| . | ||||
| I | ||||
| DRIVE PLATE ASSEMBLY |
| I | |||||||
| Clutch Size | C Dim. | D Dim. | E Dim. | F Dim. | G Dim. | Hole Size | Holes |
| 11 1/2" | 13.875 | 13.125 | 2.44 or 2.83 | 3.94 | 1.56 or 2.12 | 13/32 | 8 |
| (292..1mm) | (352.4) | (333.4) | (62.0) or (71.9) | (100.0) | (39.6) or (53.8) | (10.3) | |
| 14" | 18.375 | 17.250 | 2.83 or 3.15 | 3.94 | 1.00 | 17/32 | 16 |
| (355.6mm) | (466.7) | (438.2) | (71.9) or (80.0) | (100.0) | (25.4) | (13.5) | |
| 18" | 22.5 | 21.375 | 2.83 or 3.15 | 3.94 | 0.62 | 21/32 |
6 |
| (457.2mm) | (571.5) | (542.9) | (71.9) or (80.0) | (100.0) | (25.4) | (16.7) | |
| I |
| PUMP DRIVE CLUTCH & COVER DATA |
| I | |||||||||
| Clutch Size | Clutch | Work TQ | C Dim. | D Dim. | E Dim. | F Dim. | G Dim. | Hole Size | Holes |
| 11 1/2" | T.D. | 910 | 13.875 | 13.125 | 2.44/2.83 | 3.94 | 1.56/2.12 | 13/32 | 8 |
| (292.1mm) | SP-211 | (1233.1Nm) | (352.4) | (333.4) | (62)/(71.9) | (100.0) | (39.6)/(53.8) | (10.3) | |
| 14" | T.D. | 810 | 18.375 | 17.250 | 2.83/3.15 | 3.94 | 1.00 | 17/32 | 8 |
| (355.6mm) | SP-114 | (1097.6Nm) | (466.7) | (438.2) | (72)/(80.0) | (100.0) | (25.4) | (13.5) | |
| 14" | T.D. | 1620 | 18.375 | 17.250 | 2.83/3.15 | 3.94 | 1.00 | 17/32 | 8 |
| (355.6mm) | SP-214 | (2195Nm) | (466.7) | (438.2) | (72)/(80.0) | (100.0) | (25.4) | (13.5) | |
| SAE Size | A Dim. | B Dim. | H Dim. | Bolts reqd. | |||||
| 1 | 20.875 | 20.125 | 10.250 | 12-7/16 | |||||
| (530.2) | (511.2) | (260.4) | (11.1)-14 | ||||||
| I |
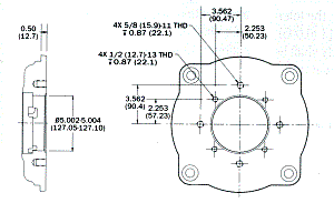
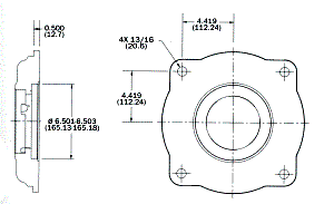
| PUMP ADAPTER PLATES | |
| I | |
![]() |
![]() |
| SAE C | SAE D |
![]() |
|
| SAE E | |
|
I |
|
| PUMP ADAPTER SLEEVES | ||||
| I | ||||
| SAE Size | A Dim. | B Dim. | Bolts Reqd. | ![]() |
| C | 2.88 (73.15) | 2.00 (50.80) | 14T.12/24P. | |
| D | 2.50 (63.5) | 1.88 (47.78) | 13T.8/16P. | |
| E | 2.50 (63.5) | 1.88 (47.78) | 13T.8/16P. | |
| I | ||||
| I | ||||
| I | ||||
| INPUT DRIVE ASSEMBLIES | |||
| I | |||
|
![]() |
||
| FLANGED SHAFT |
3" KEYED SHAFT |
||