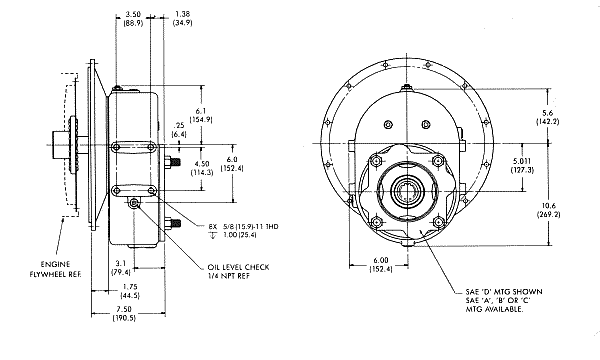
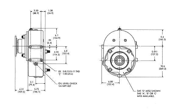
Funk  28000 S E R I E S SINGLE  Pump Drives
.
 RATINGS PUMP ROTATION
  Input Torque (Max.): 575 lb.-ft (779Nm) Anti - Enginewise
  Output Torque (Max.): 575 lb.-ft (779Nm) per pump pad OIL
  Input or Output Speed (Max.): 3000 rpm

Any oil which meets EP gear lubrication Spec MIL-L-2105C

or API classification GL-5

  Input Power (Max.): 325hp (242kW) APPROXIMATE WEIGHT
  Output Power (Max.): 325hp (242kW) per pump pad 28101X - 120 lb. (55kg)  28103X - 110 lb. (50kg)  28275X - 175 lb. (80kg)
.
 OPTIONS SELECTION
MODELS

28101X  Engine Mounted
28103X  Remote Mounted
28275X  Clutch Driven

Pump Drive Home

Distributor and Service Centre Contact Information

South African Distributor and Service Centre

ptlogo22h.gif (1973 bytes)