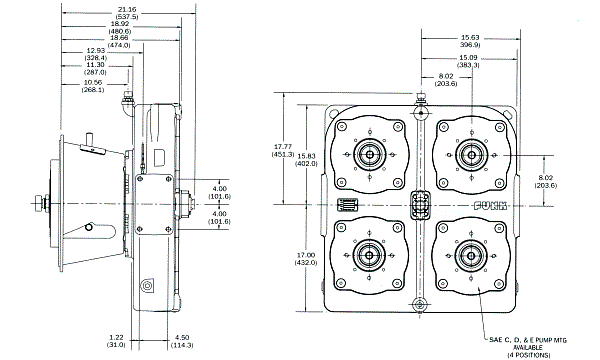
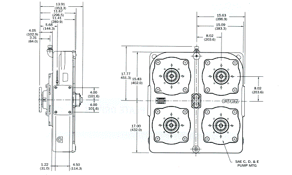
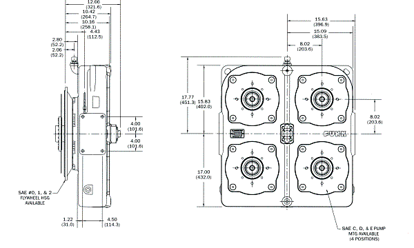
Funk  57000 S E R I E S FOUR  Pump Drives with 16'' centers
.
 RATINGS PUMP ROTATION
  Input Torque (Max.): 2000 lb.-ft (2710Nm) Anti - Enginewise
  Output Torque (Max.): 2000 lb.-ft (2710Nm) per pump pad OIL
  Input or Output Speed (Max.): 2500 rpm

Any oil which meets EP gear lubrication Spec MIL-L-2105C

or API classification GL-5

  Input Power (Max.): 950 hp (708kW) APPROXIMATE WEIGHT
  Output Power (Max.): 950hp (708kW) per pump pad 57416PX-770 lb. (350kg)  57416CX-920 lb. (418kg)  57416RX-735 lb. (334kg)
.
 OPTIONS SELECTION
MODELS

5716PXXXXX  Engine Mounted
5716RXXXXX  Remote Mounted
5716CXXXXX  Clutch Driven

Pump Drive Home

Distributor and Service Centre Contact Information

South African Distributor and Service Centre

ptlogo22h.gif (1973 bytes)