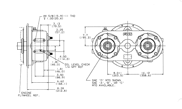
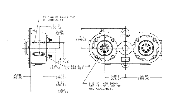
Funk  59000 S E R I E S DOUBLE  Pump Drives  8 INCH (203.5mm) GEAR CENTRES
.
 RATINGS PUMP ROTATION
  Input Torque (Max.): 1250 lb.-ft (1693Nm) Anti - Enginewise
  Output Torque (Max.): 650 lb.-ft (880Nm) per pump pad OIL
  Input or Output Speed (Max.): 3000 rpm

Any oil which meets EP gear lubrication Spec MIL-L-2105C

or API classification GL-5

  Input Power (Max.): 700hp (521kW) APPROXIMATE WEIGHT
  Output Power (Max.): 360hp (268kW) per pump pad 5928XPX -240 lb. (109kg)  5928XRX -215 lb. (98kg)  5928XCX -320 lb. (145kg)
.
 OPTIONS SELECTION
MODELS

28211X  Engine Mounted
28212X  Remote Mounted
28213X  Clutch Driven

Pump Drive Home

Distributor and Service Centre Contact Information

South African Distributor and Service Centre

ptlogo22h.gif (1973 bytes)