Funk  59000 S E R I E S FOUR  Pump Drives
.
 RATINGS PUMP ROTATION
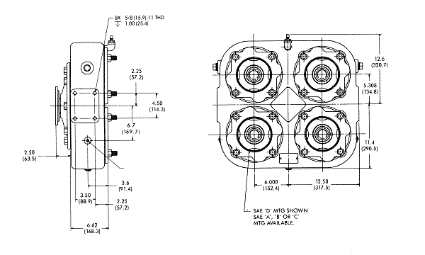
  Input Torque (Max.): 1250 lb.-ft (1693Nm) Anti - Enginewise
  Output Torque (Max.): 650 lb.-ft (880Nm) per pump pad OIL
  Input or Output Speed (Max.): 3000 rpm

Any oil which meets EP gear lubrication Spec MIL-L-2105C

or API classification GL-5

  Input Power (Max.): 700hp (521kW) APPROXIMATE WEIGHT
  Output Power (Max.): 360hp (268kW) per pump pad 594PXPX-340 lb. (154kg)  594PFXX-315 lb. (143kg)  594PXCX-420 lb. (191kg)
.
 OPTIONS SELECTION
MODELS

594PXXPXX  Engine Mounted
594PFXX  Remote Mounted
594PXXCXX  Clutch Driven

Pump Drive Home

Distributor and Service Centre Contact Information

South African Distributor and Service Centre

ptlogo22h.gif (1973 bytes)